Produktinformationen
-
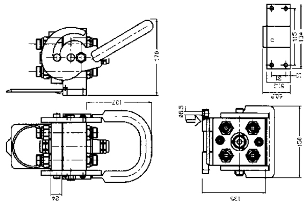
Technische Daten
DN: 10 Size: 06 Betriebsdruck [bar]: 250 Gewinde + Norm: M22x1,5 MALE 15L - ISO 8434-1-L Anschluss-Gewinde [GA]: M22x1,5 MALE 15L Anzahl Hydraulik-Einsätze: 4 Anzahl Elektroeinsätze: 1 Hersteller Identnummer: 2P506-A-4-2/2MC max. Anzahl der Elektroeinsätze: 1 max. Anzahl Hydraulik-Einsätze: 4 l/min bei ΔP=2 bar: DN10: 40 l/min Einsatzgebiet: Frontlader,Landmaschinen, Baumaschinen Hinweis: Multikupplung, Flat Face, Leckölarm, ermöglicht den Anschluss mehrerer Hydraulikleitungen gleichzeitig. Der Anschluss ermöglicht einen Restdruck von bis zu 60 bar (2P) und den vollen Arbeitsdruck in der 3P-Version. Material: Aluminium & Stahl Muffe oder Stecker: Stecker Oberfläche: MATE 500 (CrIII) & Paint Produkttitel lang: Series MST5S4 DN10 Temperaturbereich [°C]: -25°C /+100°C Werkstoff Dichtung: NBR & PUR

