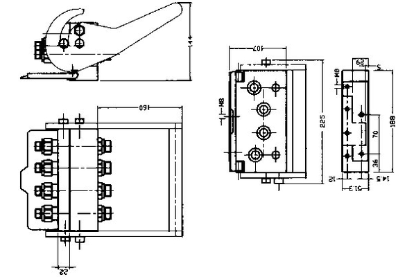
MSTS4 (PS06) Stecker DN10 - Cr III
Multikupplung flachdichtend, leckölarm. Gleichzeitiges Kuppeln von mehreren Hydraulikleitungen und Verbinden von Elektroleitungen mit Vertauschungssicherheit. Unter Betriebsdruck kuppelbar (in der 3P Version!). Beidseitig absperrend, leichtes Kuppeln und Entkuppeln

