Informations produits
-
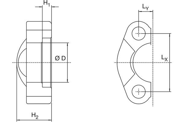
Données techniques
DN: 38 Size: 24 Pouce: 1 1/2 Pression de service [bar]: 200 H1 [mm]: 7,5 H2 [mm]: 24 G: M14x35 E [mm]: 25,0 F [mm]: 14,5 Lx [mm]: 69,90 Ly [mm]: 17,90 Ø D1 [mm]: 50,80
