Informations produits
-
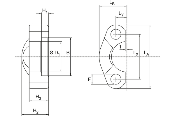
Données techniques
DN: 51 Size: 32 Pouce: 2 Pression de service [bar]: 420 H1 [mm]: 12,1 H2 [mm]: 52 G: M20x70 E [mm]: 52,0 Lx [mm]: 96,8 Ly [mm]: 22,20 Ø D1 [mm]: 67,6
