Informations produits
-
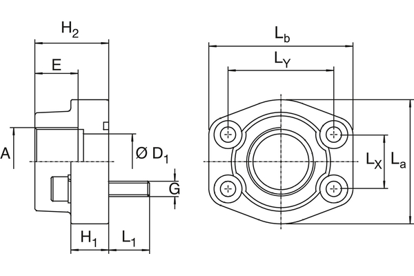
Données techniques
DN: 38 Size: 24 Pouce: 1.1/2 Pression de service [bar]: 200 L1 [mm]: 18 H1 [mm]: 25 H2 [mm]: 44 G: M12 A: G 1.1/2" E [mm]: 24 La [mm]: 79 Lb: 94 Lx [mm]: 35,7 Ly [mm]: 69,9 Ø D1 [mm]: 38
