Informations produits
-
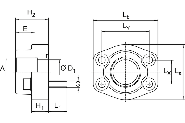
Données techniques
DN: 38 Size: 24 Pouce: 1.1/2 Pression de service [bar]: 420 L1 [mm]: 24 H1 [mm]: 30 H2 [mm]: 51 G: M16 A: G 1.1/2" E [mm]: 24 La [mm]: 89 Lb: 106 Lx [mm]: 36,5 Ly [mm]: 79,3 Ø D1 [mm]: 38
