Informations produits
-
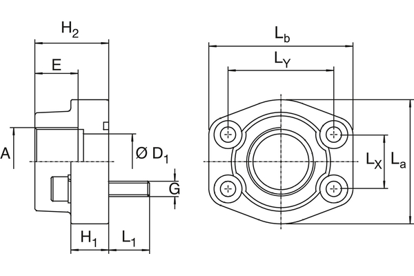
Données techniques
DN: 16/19 Size: 12 Pouce: 3/4 Pression de service [bar]: 420 L1 [mm]: 16 H1 [mm]: 19,5 H2 [mm]: 36 G: M10 A: G 3/4" E [mm]: 18 La [mm]: 54 Lb: 71 Lx [mm]: 23,8 Ly [mm]: 50,8 Ø D1 [mm]: 19
