Informations produits
-
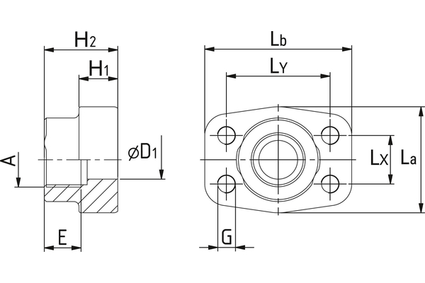
Données techniques
DN: 50 Size: 32 Pouce: 2 Pression de service [bar]: 200 H1 [mm]: 25,5 H2 [mm]: 45 G: M12 A: G 2" E [mm]: 26 La [mm]: 88 Lb: 103 Lx [mm]: 42,9 Ly [mm]: 77,8 Ø D1 [mm]: 50
