Informations produits
-
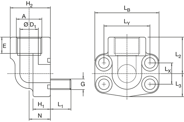
Données techniques
DN: 31 Size: 20 Pouce: 1.1/4 Pression de service [bar]: 250 L1 [mm]: 17 H1 [mm]: 21 H2 [mm]: 53,5 G: M10 A: G1.1/4" E [mm]: 22 L2 [mm]: 50 L3 [mm]: 34 Lb: 81 Lx [mm]: 30,2 Ly [mm]: 58,7 N [mm]: 30 Ø D1 [mm]: 31
