Informations produits
-
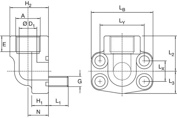
Données techniques
DN: 25 Size: 16 Pouce: 1 Pression de service [bar]: 420 L1 [mm]: 19 H1 [mm]: 24 H2 [mm]: 53,5 G: M12 A: G1" E [mm]: 24 L2 [mm]: 50 L3 [mm]: 34 Lb: 82 Lx [mm]: 27,8 Ly [mm]: 57,2 N [mm]: 30 Ø D1 [mm]: 25
