Informations produits
-
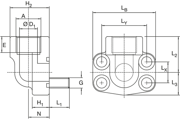
Données techniques
DN: 19 Size: 12 Pouce: 3/4 Pression de service [bar]: 420 L1 [mm]: 15 H1 [mm]: 19 H2 [mm]: 44,5 G: M10 A: G3/4" E [mm]: 22 L2 [mm]: 41 L3 [mm]: 27 Lb: 72 Lx [mm]: 23,8 Ly [mm]: 50,8 N [mm]: 28 Ø D1 [mm]: 19
