Informations produits
-
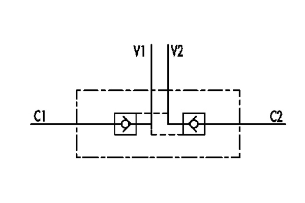
Données techniques
Pression de service [bar]: 350 Filetage + norme: G 3/8" Filetage de fixation: 3/8" Poids [kg]: 1,174 L1 [mm]: 156 Débit max. [l/min]: 45 Pression d'ouverture [bar]: 8 H [mm]: 45 Rapport de déverrouillage: 1:5 V1-V2 C1-C2 [GAS - MET]: G 3/8" L [mm]: 90 S [mm]: 35 L2 [mm]: 45 L3 [mm]: 12,5
