Informations produits
-
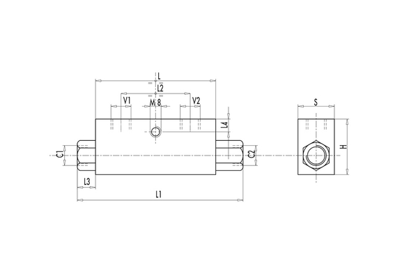
Données techniques
Pression de service [bar]: 350 Filetage + norme: BSP Filetage [G1]: 3/8" Filetage [G2]: 3/8" Filetage de fixation: 3/8" L Poids [kg]: 0,706 L1 [mm]: 120 Débit max. [l/min]: 35 Pression d'ouverture [bar]: 3 H [mm]: 40 Rapport de déverrouillage: 1:5,5 V1-V2 C1-C2 [GAS - MET]: G 3/8" L L [mm]: 80 S [mm]: 30 L2 [mm]: 38 L3 [mm]: 16 L4 [mm]: 8
