Informations produits
-
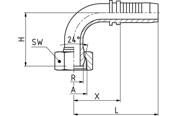
Données techniques
DN: 38 Size: 24 Pouce: 1 1/2" Filetage + norme: Cône d’étanchéité avec écrou-raccord, série légère Filetage de raccord A: M 52 x 2 Ø tube R [mm]: 42 X [mm]: 104 H [mm]: 100 SW1 [mm]: 60 Degré: 90 Désignation de raccord Indunorm: MSF 90° INOX Forme: 90° Gamme d'embout à sertir: XP INOX Matériau: Acier inoxydable 1.4571 Type de raccord: DKL 90° INOX
