Informations produits
-
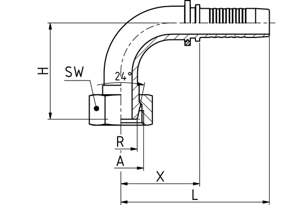
Données techniques
DN: 16 Size: 10 Pouce: 5/8 Filetage + norme: Cône d’étanchéité avec écrou-raccord, série légère Filetage de raccord A: M26x1,5 Ø tube R [mm]: 18 X [mm]: 45,7 L1 [mm]: 84,0 H [mm]: 49,0 SW1 [mm]: 32 Désignation de raccord Indunorm: MSF 90° Forme: 90° Gamme d'embout à sertir: Programme universel XV Matériau: Acier de décolletage Surface: Chrome III Type de raccord: DKL 90°
