Informations produits
- 
            
                Données techniques
            
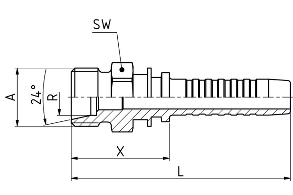
                DN: 10 Size: 06 Pouce: 3/8 Filetage + norme: Goupille filetée avec forme d'alésage W (24°) selon DIN 3861, série légère Filetage de raccord A: M16x1,5 Ø tube R [mm]: 10 X [mm]: 28,4 L1 [mm]: 61,3 SW1 [mm]: 17 Désignation de raccord Indunorm: ME Forme: 0° Gamme d'embout à sertir: Programme universel XV Matériau: Acier de décolletage Surface: Chrome III Type de raccord: CEL 
 
  5€ Avantage en cas de commande tôt le matin
                        5€ Avantage en cas de commande tôt le matin
         Livraison gratuite à partir de 250€
                        Livraison gratuite à partir de 250€
         Conseil technique
                        Conseil technique
         
                                                                                      
             
                    
 
                 
                 
                 
                 
                                                     
                                                             
                                                     
                                                     
                                                     
                                                     
                                                     
                                                     
                                                     
                                                     
                                                            