Informations produits
-
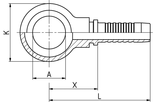
Données techniques
DN: 19 Size: 12 Pouce: 3/4 Filetage + norme: Embout à bague vis creuses fractionnaires X [mm]: 40,0 L1 [mm]: 84,3 Alésage de l'embout annulaire [mm]: 3/4" A: 26,5 Désignation de raccord Indunorm: BKG Forme: 0° Gamme d'embout à sertir: Programme universel XV Matériau: Acier de décolletage Résistance à la rouille blanche [h]: 72 Résistance à la rouille rouge [h]: 144 Surface: Chrome III Type de raccord: RGN
