Informations produits
-
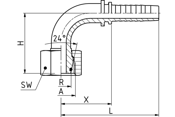
Données techniques
DN: 6 Size: 04 Pouce: 1/4" Filetage + norme: Cône d’étanchéité avec joint torique conforme à la norme DIN 3865 (convient pour les embouts 24° selon DIN 3901 et 3902), écrou-raccord, série légère Ø tube R [mm]: 10 H [mm]: 27,0 d [mm]: 4,0 Pipe E [mm]: 10 T: M16x1,5 E [mm]: 19 C [mm]: 28,0 L [mm]: 53,0 Désignation de raccord Indunorm: MSOF 90° Forme: 90° Gamme d'embout à sertir: VC Matériau: Acier de décolletage Type de raccord: DKOL 90°
