Informations produits
-
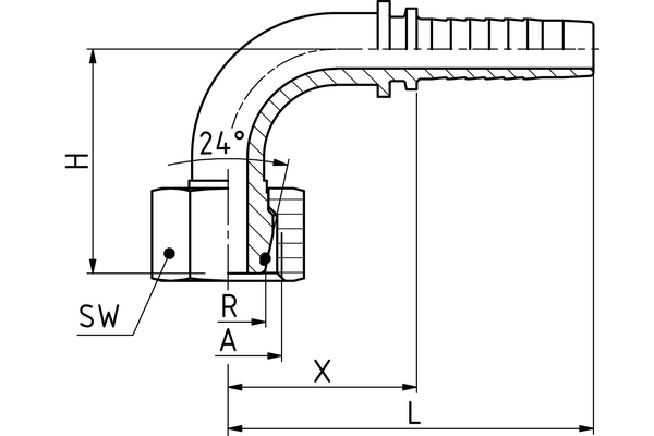
Données techniques
DN: 10 Size: 06 Pouce: 3/8" Filetage + norme: Cône d’étanchéité avec joint torique conforme à la norme DIN 3865 (convient pour les embouts 24° selon DIN 3901 et 3902), écrou-raccord, série légère Ø tube R [mm]: 15 H [mm]: 38,0 d [mm]: 7,0 Pipe E [mm]: 15 T: M22x1,5 E [mm]: 27 C [mm]: 30,5 L [mm]: 60,5 Désignation de raccord Indunorm: MSOF 90° Forme: 90° Gamme d'embout à sertir: VC Matériau: Acier de décolletage Type de raccord: DKOL 90°
