Informations produits
-
Données techniques
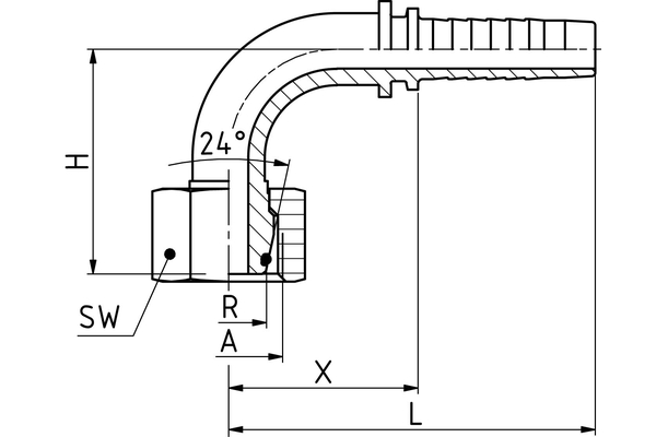
DN: 16 Size: 10 Pouce: 5/8" Filetage + norme: Cône d’étanchéité avec joint torique conforme à la norme DIN 3865 (convient pour les embouts 24° selon DIN 3901 et 3902), écrou-raccord, série légère Ø tube R [mm]: 18 H [mm]: 46,0 d [mm]: 12,0 Pipe E [mm]: 18 T: M26x1,5 E [mm]: 32 C [mm]: 46,0 L [mm]: 80,5 Désignation de raccord Indunorm: MSOF 90° Forme: 90° Gamme d'embout à sertir: VC Matériau: Acier de décolletage Type de raccord: DKOL 90°
