Veuillez ouvrir l'application avec votre Smartphone ou votre tablette. URL: https://www.indunorm.de/app_de
Notre numéro de service :
+49 2845 2950-0
Nous attendons votre message avec impatience !
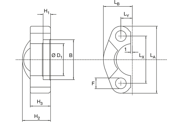
Référence: RX16SFC6
Numéro de liste: 15801300
Sous réserve de modifications techniques.
Nouveaux produits:
En plus des produits Indunorm, nous distribuons entre autres des produits des marques suivantes :