Informations produits
-
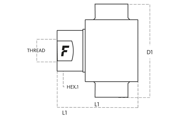
Données techniques
DN: 50 Size: 32 Pression de service [bar]: 350 Filetage + norme: NPT Filetage femelle ANSI B1.20.3 Filetage de raccordement [GA]: 2" Diamètre extérieur raccord femelle [mm]: 170,0 Longueur raccord femelle [mm]: 154,2 SW [mm]: 75 SW1 [mm]: 75 l/min pour ΔP=2 bar: 570 Domaine d'application: 500 Matériau boîtier: Acier Matériau étanchéité: NBR & PUR Plage de température [°C]: -25°C à +100°C Raccord femelle ou raccord mâle: Raccord femelle Résistance à la rouille rouge [h]: 500 Surface: Mate 500 (chrome III)
