Informations produits
-
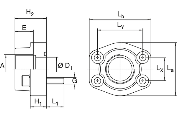
Données techniques
DN: 16/19 Size: 12 Pouce: 3/4 Pression de service [bar]: 348 L1 [mm]: 16 H1 [mm]: 18 H2 [mm]: 36 G: M10 A: G 3/4" E [mm]: 18 La [mm]: 49 Lb: 66 Lx [mm]: 22,3 Ly [mm]: 47,6 Ø D1 [mm]: 19

