Informations produits
-
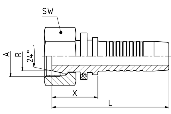
Données techniques
DN: 05 Size: 03 Pouce: 3/16 Filetage + norme: Cône d’étanchéité avec écrou-raccord, série lourde Filetage de raccord A: M14x1,5 Ø tube R [mm]: 6 X [mm]: 24,2 L1 [mm]: 49,1 SW1 [mm]: 17 Désignation de raccord Indunorm: MSF Forme: 0° Gamme d'embout à sertir: Programme universel XV Matériau: Acier de décolletage Surface: Chrome III Type de raccord: DKS

