Informations produits
-
Données techniques
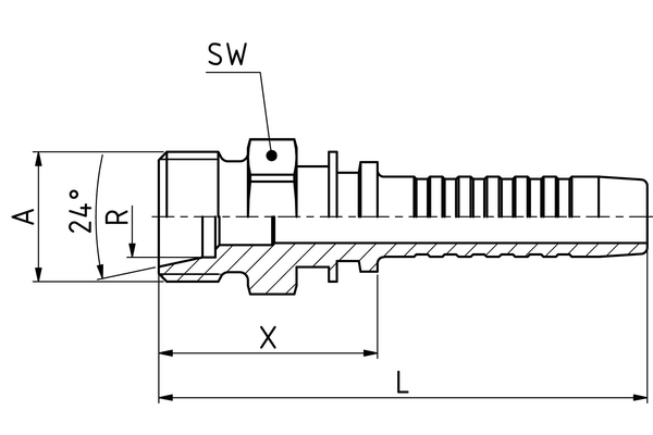
DN: 08 Size: 05 Pouce: 5/16 Filetage + norme: Goupille filetée avec forme d'alésage W (24°) selon DIN 3861, série légère Filetage de raccord A: M16x1,5 Ø tube R [mm]: 10 X [mm]: 28,4 L1 [mm]: 61,3 SW1 [mm]: 17 Désignation de raccord Indunorm: ME Forme: 0° Gamme d'embout à sertir: Programme universel XV Matériau: Acier de décolletage Surface: Chrome III Type de raccord: CEL

