Notre numéro de service :

+49 2845 2950-0

Nous attendons votre message avec impatience !

Formulaire de contact

Se connecter dans InduShop

Se connecter
Speciale aanbieding
Du 29/04/2026 au 01/07/2026
  • Bienvenue chez Indunorm Hydraulik | Réservé aux professionnels
  • 5€ Avantage en cas de commande tôt le matin
  • Livraison gratuite à partir de 250€
  • Conseil technique

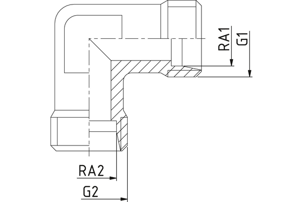
Raccord coudé W - INOX, corps

Détails

Pression d'éclatement [bar]
2000
2000
2000
1600
1600
1600
1000
1000
1000
1000
3200
3200
3200
2520
2520
2520
1680
1680
1680
1680
Quantité
 

Informations produits

  • Données techniques
    Résistance à la rouille blanche [h]: 500
    Résistance à la rouille rouge [h]: 1000
    Surface:

En plus des produits Indunorm, nous distribuons entre autres des produits des marques suivantes :