Informations produits
-
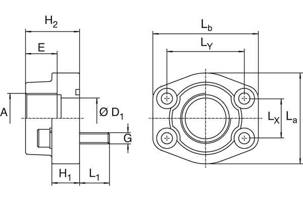
Données techniques
DN: 12 Size: 08 Pouce: 1/2 Pression de service [bar]: 348 L1 [mm]: 14 H1 [mm]: 16 H2 [mm]: 36 G: M8 A: G 1/2" E [mm]: 15 La [mm]: 47 Lb: 57 Lx [mm]: 17,5 Ly [mm]: 38,1 Ø D1 [mm]: 13
