No Internet Connection. Some Features may not work! ×

Veuillez ouvrir l'application avec votre Smartphone ou votre tablette.
URL: https://www.indunorm.de/app_de

Notre numéro de service :

+49 2845 2950-0

Nous attendons votre message avec impatience !

Formulaire de contact
Speciale aanbieding
Du 04/02/2026 au 04/03/2026
  • Bienvenue chez Indunorm Hydraulik | Réservé aux professionnels
  • 5€ Avantage en cas de commande tôt le matin
  • Livraison gratuite à partir de 250€
  • Conseil technique

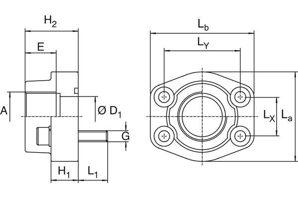
Bride à visser 3000 PSI complet

Détails

DN
12
12
16/19
25
31
38
Size
08
08
12
16
20
24
Pouce
1/2
1/2
3/4
1
1.1/4
1.1/2
Pression de service [bar]
348
348
348
348
278
210
L1 [mm]
14
14
16
16
18
18
H1 [mm]
16
16
18
18
21
25
H2 [mm]
36
36
36
38
41
44
G
M8
M8
M10
M10
M10
M12
Quantité
 

En plus des produits Indunorm, nous distribuons entre autres des produits des marques suivantes :