Informations produits
-
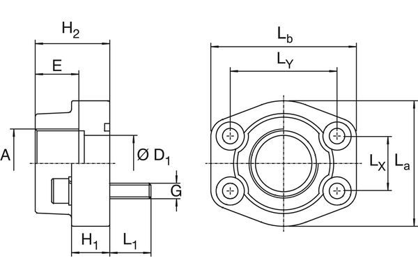
Données techniques
DN: 25 Size: 16 Pouce: 1 Pression de service [bar]: 348 L1 [mm]: 16 H1 [mm]: 18 H2 [mm]: 38 G: M10 A: G 1" E [mm]: 20 La [mm]: 53 Lb: 71 Lx [mm]: 26,2 Ly [mm]: 52,4 Ø D1 [mm]: 25
