Ons servicenummer:

+49 2845 2950-0

Wij kijken uit naar uw bericht!

Contactformulier

Inloggen bij de InduShop:

Aanmelden
Speciale aanbieding
Van 29-04-2026 naar 01-07-2026
  • Welkom bij Indunorm Hydraulik | Alleen voor professionals
  • 5€ Vroegbestelkorting
  • Gratis levering vanaf 250€
  • Technisch advies

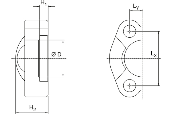
Halve flens, normale uitvoering 3000 PSI

Gegevens

DN
12
16/19
25
31
31
31
38
38
51
51
Size
8
12
16
20
20
20
24
24
32
32
Inch
1/2
3/4
1
1.1/4
1 1/4
1 1/4
1.1/2
1 1/2
2
2
Bedrijfsdruk [bar]
350
350
315
250
250
250
200
200
200
200
H1 [mm]
6,2
6,2
7,5
7,5
7,5
7,5
7,5
7,5
9,0
9,0
H2 [mm]
19
22
24
22
22
22
25
25
26
26
G
M8x25
M10x30
M10x30
M10x30
M10x30
M12x35
M12x35
M14x35
M12x35
M14x35
Aantal
 

Naast Indunorm-producten distribueren we ook merkproducten: