Productinformatie
- 
            
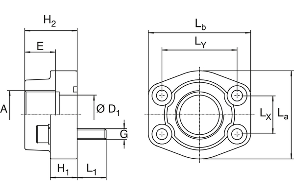
                Technische gegevens
            
                
DN: 38 Size: 24 Inch: 1.1/2 Bedrijfsdruk [bar]: 200 L1 [mm]: 18 H1 [mm]: 25 H2 [mm]: 44 G: M12 A: G 1.1/2" E [mm]: 24 La [mm]: 79 Lb: 94 Lx [mm]: 35,7 Ly [mm: 69,9 Ø D1 [mm]: 38  
 
                                                                                     
            
                
                
                
                
                
                
                
                
                
                
                                                    
                                                            
                                                    
                                                    
                                                    
                                                    
                                                    
                                                    
                                                    
                                                    
                                                            
                                                            