Productinformatie
-
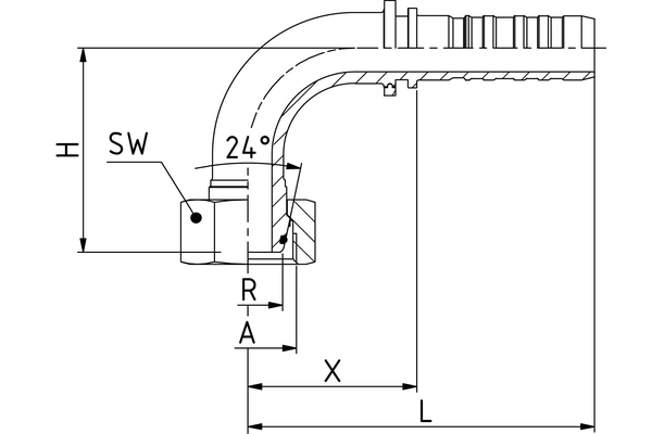
Technische gegevens
DN: 19 Size: 12 Inch: 3/4" Aansluitingschroefdraad A: M30x2,0 Leidingdiam. R [mm]: 20 X [mm]: 66,1 H [mm]: 67,5 SW1 [mm]: 36 Aansluitingaanduiding Indunorm: MSOF 90° Aansluitingmethode: DKOS 90° Armaturenserie: Multispiraalprogramma HNS slangarmaturen (no skive) Graad: 90 Materiaal: Automatenstaal Materiaal: Automatenstaal Uitvoering: 90°

