Productinformatie
-
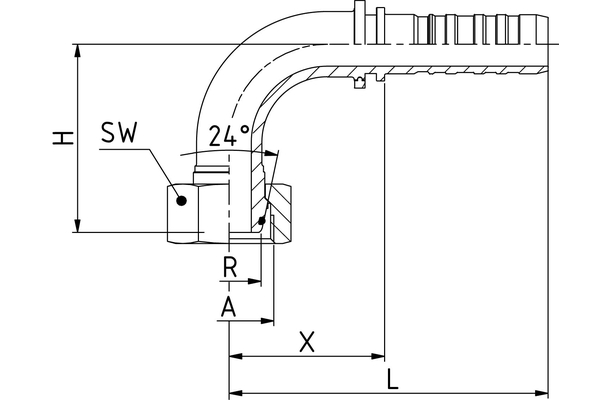
Technische gegevens
DN: 19 Size: 12 Inch: 3/4" Aansluitingschroefdraad A: M36x2,0 Leidingdiam. R [mm]: 25 X [mm]: 51,0 H [mm]: 59,5 SW1 [mm]: 41 Aansluitingaanduiding Indunorm: MSOF 90° Aansluitingmethode: DKOS 90° Armaturenserie: Multispiraalprogramma HNS slangarmaturen (no skive) Graad: 90 Materiaal: Automatenstaal Materiaal: Automatenstaal Uitvoering: 90°

