Productinformatie
-
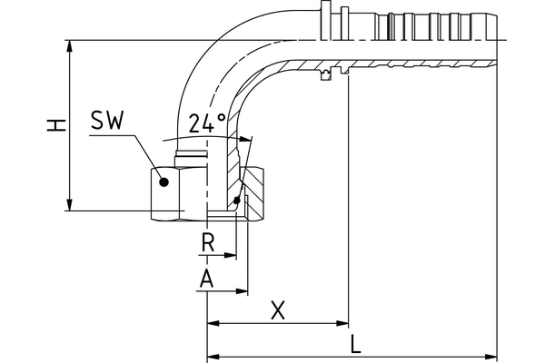
Technische gegevens
DN: 31 Size: 20 Inch: 1.1/4" Aansluitingschroefdraad A: M52x2,0 Leidingdiam. R [mm]: 38 X [mm]: 95,0 H [mm]: 92,0 SW1 [mm]: 60 Aansluitingaanduiding Indunorm: MSOF 90° Aansluitingmethode: DKOS 90° Armaturenserie: Multispiraalprogramma HNS slangarmaturen (no skive) Graad: 90 Materiaal: Automatenstaal Materiaal: Automatenstaal Uitvoering: 90°

