Productinformatie
-
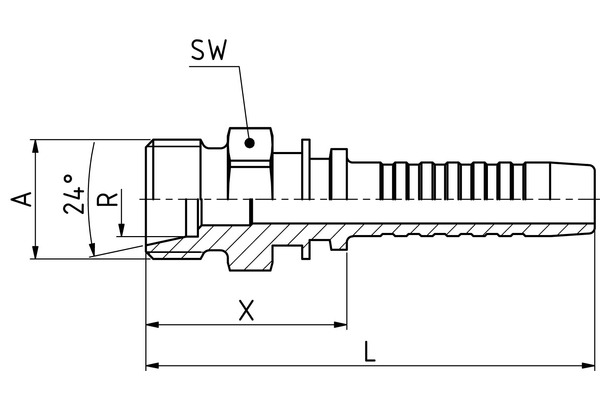
Technische gegevens
DN: 10 Size: 6 Inch: 3/8 Schroefdraad + norm: Draadstift met boringuitvoering W (24°) conform DIN 3861, lichte uitvoering Aansluitingschroefdraad A: M18x1,5 Leidingdiam. R [mm]: 12 X [mm]: 28,4 L1 [mm]: 61,3 SW1 [mm]: 19 Aansluitingaanduiding Indunorm: ME Aansluitingmethode: CEL Armaturenserie: Universeel programma XV Materiaal: Automatenstaal Oppervlak: Cr3 Uitvoering: 0°

