Productinformatie
-
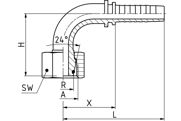
Technische gegevens
DN: 19 Size: 12 Inch: 3/4" Schroefdraad + norm: Afdichtconus met O-ring conform DIN 3865 (passend voor adapter 24° conform DIN 3901 en 3902), wartel, lichte uitvoering Leidingdiam. R [mm]: 22 H [mm]: 50,0 d [mm]: 15,0 Pipe E [mm]: 22 T: M30-2 E [mm]: 36 C [mm]: 57,0 L [mm]: 97,0 Aansluitingaanduiding Indunorm: MSOF 90° Aansluitingmethode: DKOL 90° Armaturenserie: VC Materiaal: Automatenstaal Oppervlak: CrIII Uitvoering: 90°

