Productinformatie
-
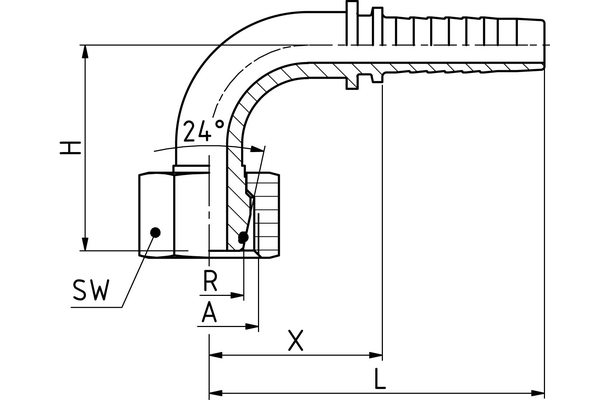
Technische gegevens
DN: 6 Size: 04 Inch: 1/4" Schroefdraad + norm: Afdichtconus met O-ring conform DIN 3865 (passend voor adapter 24° conform DIN 3901 en 3902), wartel, zware uitvoering Leidingdiam. R [mm]: 10 H [mm]: 33,5 d [mm]: 4,0 Pipe E [mm]: 10 T: M18-1,5 E [mm]: 22 C [mm]: 27,0 L [mm]: 52,0 Aansluitingaanduiding Indunorm: MSOF 90° Aansluitingmethode: DKOS 90° Armaturenserie: VC Materiaal: Automatenstaal Oppervlak: CrIII Uitvoering: 90°

