Productinformatie
-
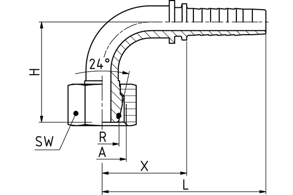
Technische gegevens
DN: 12 Size: 08 Inch: 1/2" Schroefdraad + norm: Afdichtconus met O-ring conform DIN 3865 (passend voor adapter 24° conform DIN 3901 en 3902), wartel, zware uitvoering Leidingdiam. R [mm]: 16 H [mm]: 41,0 d [mm]: 9,5 Pipe E [mm]: 16 T: M24-1,5 E [mm]: 30 C [mm]: 41,0 L [mm]: 72,0 Aansluitingaanduiding Indunorm: MSOF 90° Aansluitingmethode: DKOS 90° Armaturenserie: VC Materiaal: Automatenstaal Oppervlak: CrIII Uitvoering: 90°

