Productinformatie
-
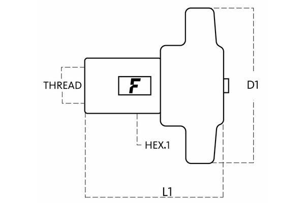
Technische gegevens
BG: 6 DN: 25 Size: 16 Inch: 1" Bedrijfsdruk [bar]: 230 Schroefdraad + norm: NPT binnenschroefdraad ANSI B1.20.3 Aansluitschroefdraad [GA]: 1" Uitw. diam. mof [mm]: 75 Lengte mof [mm]: 90,8 SW1 [mm]: 36 l/min bij Δp = 2 bar: 160 Materiaal afdichting: NBR Materiaal behuizing: Messing Mof of stekker: Mof Temperatuurbereik [°C]: -25 °C tot 125 °C Toepassingsgebied: Automobielindustrie

