Productinformatie
-
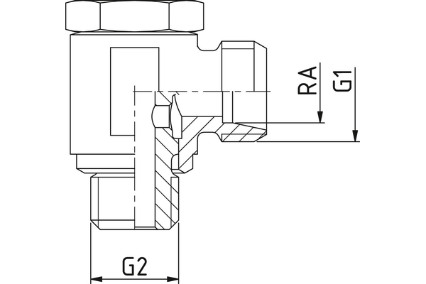
Technische gegevens
Bedrijfsdruk [bar]: 100 Barstdruk [bar]: 400 Leidingdiam. R [mm]: 4 Schroefdraad [G1]: M8x1 Schroefdraad [G2]: M8x1 Serie: LL Aansluitingmethode 1: Metrisch 24° Aansluitingmethode 2: Metrisch Materiaal: Automatenstahl Oppervlak: ZnNi Uitvoering: Winkel

