Product info
-
Technical data
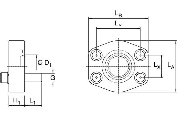
DN: 12 Size: 08 Inch: 1/2 Working pressure [bar]: 348 H1 [mm]: 16 La [mm]: 47 Lb: 57 Lx [mm]: 17,5 Ly [mm]: 38,1 Note: For orders including metric cylindrical screws, spring ring and O-ring please add on each item number a -S. Example: A08SFH-V-S Ø D1 [mm]: 13

