Produktinformationen
-
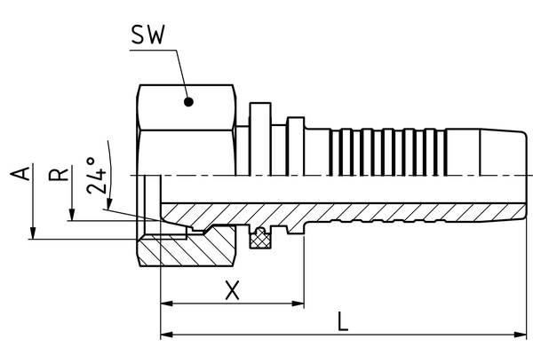
Technische Daten
DN: 12 Size: 08 Zoll: 1/2 Gewinde + Norm: Dichtkegel mit Überwurfmutter, leichte Reihe Anschluss-Gewinde A: M26x1,5 Rohr-Ø R [mm]: 18 X [mm]: 26,5 L1 [mm]: 62,0 SW1 [mm]: 32 Anschlussart: DKL Anschlussbezeichnung Indunorm: MSF Armaturenreihe: Universalprogramm XV Bauform: 0° Material: Automatenstahl Oberfläche: Cr3

