Produktinformationen
-
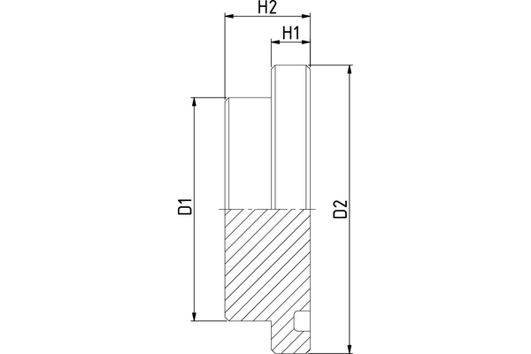
Technische Daten
DN: 32 Size: 20 Zoll: 1.1/4 Flanschgröße D2: 3.000 psi D [mm]: 50,8 L1 [mm]: 18,0 H1 [mm]: 8,0 H2 [mm]: 18,0 L [mm]: 8,0 C [mm]: 43,0 Material: Automatenstahl Oberfläche: CrIII

