Produktinformationen
-
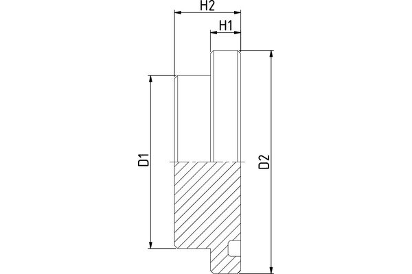
Technische Daten
DN: 51 Size: 32 Zoll: 2 Flanschgröße D2: 3.000 psi D [mm]: 71,4 L1 [mm]: 21,0 H1 [mm]: 9,6 H2 [mm]: 21,0 L [mm]: 9,6 C [mm]: 61,8 Material: Automatenstahl Oberfläche: CrIII

