Produktinformationen
-
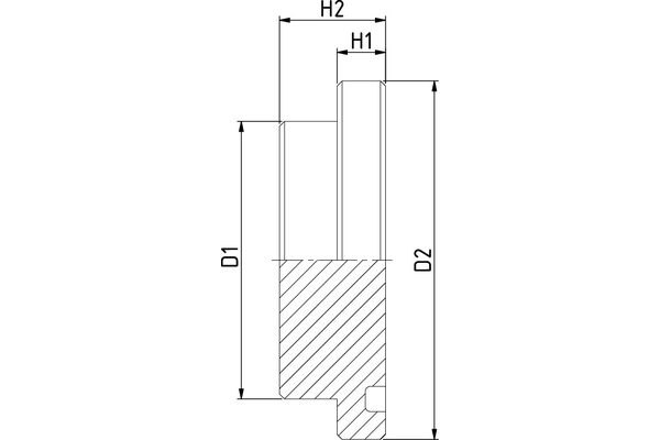
Technische Daten
DN: 51 Size: 32 Zoll: 2 Flanschgröße D2: 6.000 psi D [mm]: 79,4 L1 [mm]: 42,0 H1 [mm]: 12,6 H2 [mm]: 42,0 L [mm]: 12,6 C [mm]: 66,5 Material: Automatenstahl Oberfläche: CrIII

