Produktinformationen
-
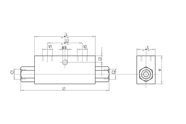
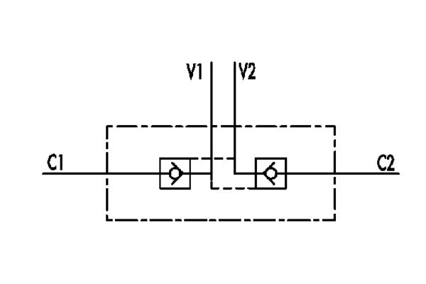
Technische Daten
Betriebsdruck [bar]: 350 Gewinde + Norm: G 1/2" Befestigungs-gewinde: 1/2" Gewicht [kg]: 1,284 L1 [mm]: 144 max. Durchflussmenge [ltr / min]: 70 Öffnungsdruck [bar]: 3,5 H [mm]: 60 Entsperrverhältnis: 1:4 V1-V2 C1-C2 [GAS - MET]: G 1/2" L [mm]: 80 S [mm]: 35 L2 [mm]: 40 L3 [mm]: 18

