Produktinformationen
-
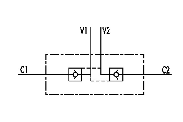
Technische Daten
Betriebsdruck [bar]: 350 Gewinde + Norm: G 3/8" Befestigungs-gewinde: 3/8" Gewicht [kg]: 1,174 L1 [mm]: 156 max. Durchflussmenge [ltr / min]: 45 Öffnungsdruck [bar]: 8 H [mm]: 45 Entsperrverhältnis: 1:5 V1-V2 C1-C2 [GAS - MET]: G 3/8" L [mm]: 90 S [mm]: 35 L2 [mm]: 45 L3 [mm]: 12,5

