Produktinformationen
-
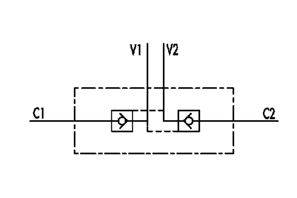
Technische Daten
Betriebsdruck [bar]: 350 Gewinde + Norm: G 3/8" L Befestigungs-gewinde: 3/8" L Gewicht [kg]: 0,736 L1 [mm]: 128 max. Durchflussmenge [ltr / min]: 35 Öffnungsdruck [bar]: 3 H [mm]: 40 Entsperrverhältnis: 1:5,5 V1-V2 C1-C2 [GAS - MET]: G 3/8" L L [mm]: 80 S [mm]: 30 L2 [mm]: 38 L3 [mm]: 8

