Produktinformationen
-
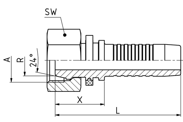
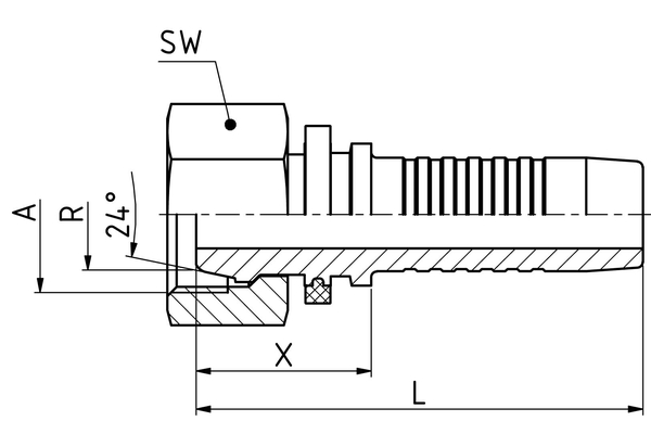
Technische Daten
DN: 05 Size: 03 Zoll: 3/16 Gewinde + Norm: Dichtkegel mit Überwurfmutter, leichte Reihe Anschluss-Gewinde A: M12x1,5 Rohr-Ø R [mm]: 6 X [mm]: 22,8 L1 [mm]: 47,7 SW1 [mm]: 14 Anschlussart: DKL Anschlussbezeichnung Indunorm: MSF Armaturenreihe: Universalprogramm XV Bauform: 0° Material: Automatenstahl Oberfläche: Cr3

