Produktinformationen
-
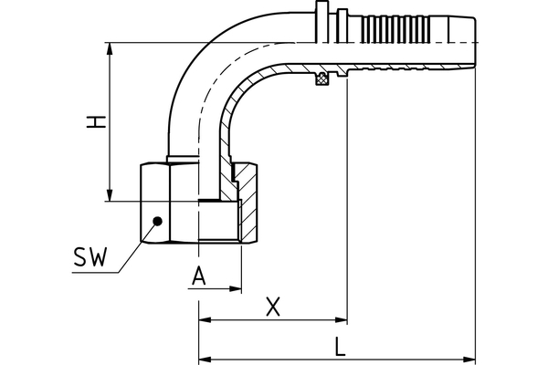
Technische Daten
DN: 16 Size: 10 Zoll: 5/8 Gewinde + Norm: ORFS-Dichtform mit Überwurfmutter, UN-/UNF-/UNS-Gewinde Anschluss-Gewinde A: 1"-14 UNS X [mm]: 45,0 L1 [mm]: 83,5 H [mm]: 94,0 SW1 [mm]: 30 Anschlussart: ORFS 90° mit Sonderschenkellänge und Überwurfmutter Anschlussbezeichnung Indunorm: LORF 90° SL Armaturenreihe: Universalprogramm XV Bauform: 90° Beständigkeit gegen Rotrost [h]: 144 Beständigkeit gegen Weissrost [h]: 72 Material: Automatenstahl Oberfläche: Cr3

